红桃国际

语言选择(language)
banner
双面执手行业标准 JG/T393-2012
  • 产品型号:
  • 所属分类:行业标准
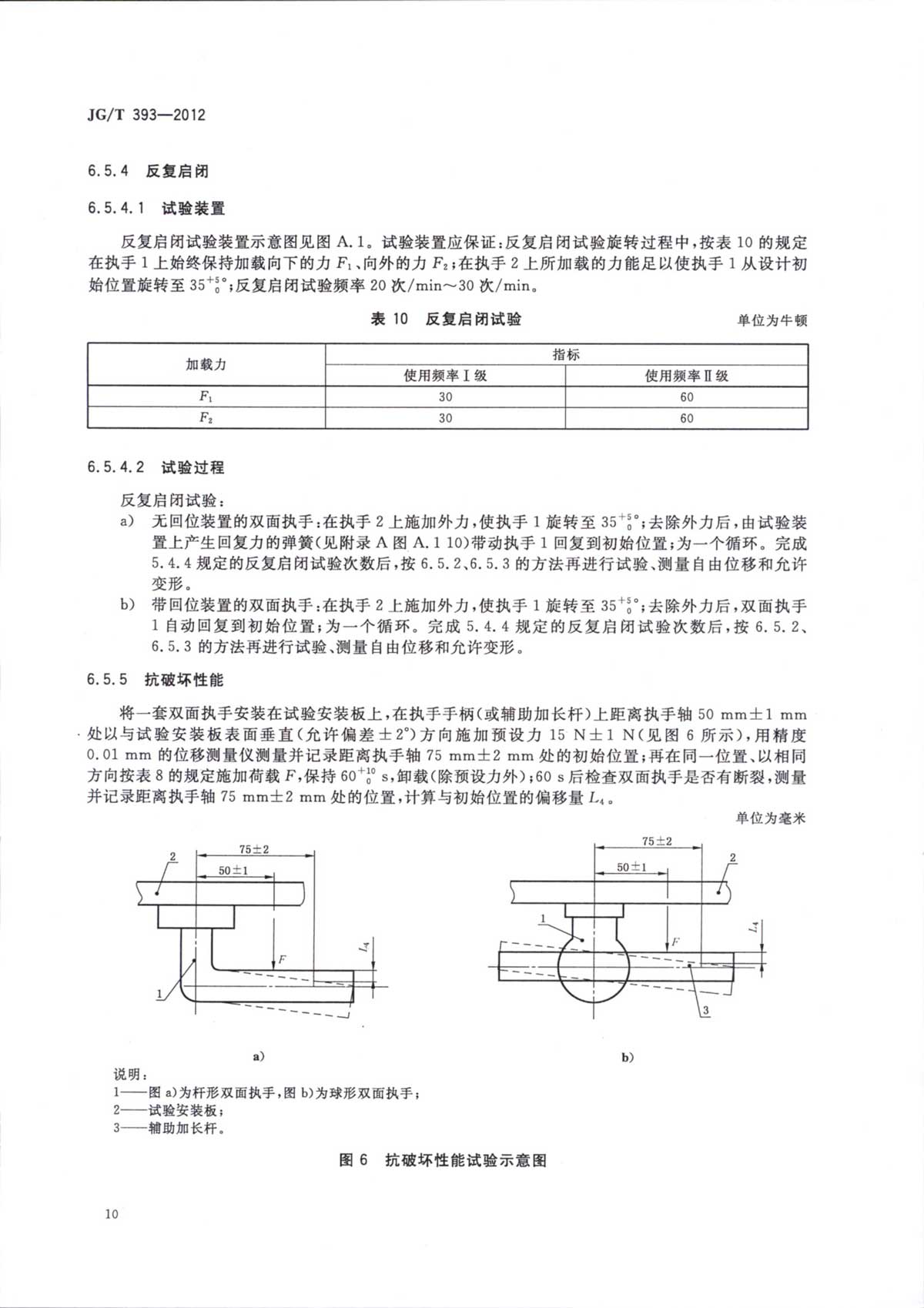
  • 产品描述:
  • 在线咨询
产品详情


 var _hmt = _hmt || []; (function() { var hm = document.createElement("script"); hm.src = "https://hm.baidu.com/hm.js?7b865d55fe5c0ec0b6112a63f149052c"; var s = document.getElementsByTagName("script")[0]; s.parentNode.insertBefore(hm, s); })();